Magazine Archive

Home -> Magazines -> Issues -> Articles in this issue



Electronics & Music Maker - April 1984

Comment
Editorial

The Means to Communicate

Vic Emerson
Interview

Vic Emerson

An interview with one of Britain's most gifted keyboard players and programmers. He takes us through the various electronic instruments he's owned, and gives some insight into how to go about programming such complex polysynths as the Yamaha CS80 and Rhodes Chroma.

Klone Dual Percussion Synthesiser
Review

A simple, twin-pad drum-synth - from the Klone Kit people - put under the E&MM microscope by Geoff Twigg.

Vox Venue PA120 and PA112H Speakers
Review

Peter Maydew on a new budget PA system from a well-respected name.

The New Simmons Kits
Review

Simmons SDS7 and SDS8

In a special report, Ultravox drummer Warren Cann takes a look at two new electronic drum-kits from Simmons - the people who started it all. One is a straight forward 'Simmons-sound-on-a-budget' model, the other a sophisticated modular system employing both analogue and digital sound-generation, as well as versatile user-programmability.

Vox White Shadow Bass Guitar
Review

First unveiled at the Frankfurt Musik Messe, the White Shadow range is one of the cheapest 'quality' guitar lines currently available. Tim Oakes examines the fretless bass variant.

Fad Gadget
Interview

Fad Gadget

In which the man behind the mask - Frank Tovey - explains his attitudes to playing, writing, and recording his own particular brand of idiosyncratic electronic music.

This article has no OCR bodytext.Carlsbro Competition
Competition

Your last chance to win Carlsbro gear - in the shape of a Cobra 90 PA system, complete with speakers.

Ibanez Multi-Effects
Review

Ibanez UE400 and UE405

Two versatile effects units that aim to combine the best of both worlds: the flexibility of pedals and the neatness of rack-mounting systems.

Patchwork
Feature

Readers send in their own favourite synth sounds and how to generate them. Plenty of monosynths this month, including the Moog Prodigy, Transcendent 2000 and Roland SH-101.

Yamaha Personal Keyboards
Review

PS200, PS300, PS400

The complete PS personal keyboard range put into a musician's perspective by Trish McGrath; surprisingly, the cheapest model turns out to be the best buy.

Crumar Composer Polysynth
Review

A four-section synthesiser complete with breath control, tested by Geoff Twigg.

Ian Boddy on the Jupiter 6
Review

Solo electronic music composer Boddy gives a personal overview of Roland's mid-price polysynth.

Roland TR909 and MSQ-700
Review

Rhythm Composer and Digital Keyboard Recorder

A matching analogue/digital drum-machine and digital keyboard recorder come under the gaze of Dan Goldstein and Geoff Twigg.

On Stage
Music Review

Herbie Hancock, John Miles.

Understanding the DX7 Part 1
Feature

DX7-owner Jason Chapman and the first of a new series on how to find your way round these revolutionary Yamaha synthesisers. Part 2 next month.

This article has no OCR bodytext.On Record
Music Review

New releases from Thomas Dolby, Laurie Anderson and Simple Minds, among others.

This article has no OCR bodytext.On Cassette
Music Review

Readers' own demo recordings reviewed.

Modular Synthesis Part 4
Feature

Percussion Sounds

Steve Howell investigates conventional drum-kit sounds and how to synthesise them, using even the most basic of instruments.

Brian Chatton on the Poly 800
Review

Hot-foot from a mammoth UK tour as part of John Miles' backing-band, this well-respected keyboardist gives his own impressions of life on the road with Korg's latest MIDI-equipped polysynth.

Mind Over Music
Feature

The psychology of piano-playing.

Talking Shop
Feature

Music Village

Music Village, Chadwell Heath.

Article Group:
Computer Musician

Rumblings
Editorial

Fairlight, Drumulator, MIDI software.

The Gentle Art Of Transcription Part 1
Feature

Setting the Scene

Part one of a survey of music-printing instruments.

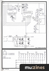
The Ins and Outs of Digital Design
Feature

An in-depth investigation into the problems of digital filter design and their possible effects, plus a simple circuit for an ultra-powerful low-pass filter.

Softly, Softly
Review

A review of 'Keyboards', a software package for the BBC Model B.

The Syndrom Part 1
Feature

How it Works

Part one of a series on designing and building a digital percussion sampling device.

Universal Bass Pedal Synth
Feature

A complete, step-by-step guide to constructing a pedalboard compatible with just about any 1-volt-per-octave synth.

Electronics & Music Maker - Music Maker Publications (UK), Future Publishing.

 

Please Contribute to mu:zines by supplying magazines, scanning or donating funds. Thanks!

Monetary donations go towards site running costs, and the occasional coffee for me if there's anything left over!
muzines_logo_02

Small Print

Terms of usePrivacy